奧氏體是沃斯田鐵嗎?揭開金屬學中常見的迷思
Table of Contents
奧氏體真是沃斯田鐵嗎?
許多剛接觸金屬熱處理或是材料科學的朋友,可能都會在一個問題上打轉:「奧氏體到底是沃斯田鐵嗎?」這個問題聽起來好像很簡單,但卻常常讓人感到困惑,尤其是在閱讀一些專業文獻時,可能會看到這兩個詞交替出現,更加深了這種迷思。別擔心,身為一個在金屬世界裡摸爬滾打多年的「老司機」,我可以很明確地告訴您:是的,奧氏體就是沃斯田鐵! 它們其實是同一種物質,只是在不同的學術領域或場合,大家習慣用不同的名稱來稱呼它而已。就像我們在台灣,有人稱呼「茄子」,也有人稱呼「長豆」,但指的都是同一種蔬菜一樣,是不是頓時覺得豁然開朗了呢?
今天,我就要帶著大家一起深入地探討一下,為何會有這兩種稱呼,以及奧氏體(沃斯田鐵)在金屬材料,尤其是鋼鐵的熱處理過程中,扮演著多麼關鍵的角色。希望透過這次的分享,能讓大家對這個基礎卻重要的概念有更全面、更清晰的認識,從此告別這個常見的迷思。
為什麼會有「奧氏體」和「沃斯田鐵」兩個名字?
這個問題其實牽涉到歷史和學術傳統。簡單來說,這兩種稱呼的起源和側重點不太一樣:
- 沃斯田鐵 (Ferrite): 這個名字更為廣泛地使用在金屬學和材料科學的領域。它指的是鐵的體心立方 (Body-Centered Cubic, BCC) 晶體結構。在純鐵的溫度-組成圖 (Phase Diagram) 中,我們可以看到在特定溫度範圍內,鐵會呈現出這種結構。沃斯田鐵的特點是它在常溫下通常是相對較軟、延展性較好的狀態。
- 奧氏體 (Austenite): 這個名稱則比較常出現在鋼鐵的熱處理學術研究中。它指的是鐵在更高溫度下,從大約727°C(純鐵的A1溫度)以上到熔點之間,呈現的面心立方 (Face-Centered Cubic, FCC) 晶體結構。奧氏體之所以得名,是為了紀念英國鋼鐵專家羅伯特·福雷斯特·奧斯汀 (Robert Forrester Austen)。
所以,當我們談論鋼鐵在加熱到一定溫度時,其內部原子排列方式從體心立方轉變為面心立方,這種具有面心立方結構的相,就被稱為奧氏體。而當我們討論的是鐵元素本身的晶體結構時,則更常用「沃斯田鐵」這個詞來描述其體心立方結構。但請注意,**鋼鐵在熱處理過程中,從常溫的沃斯田鐵(體心立方)加熱到高溫,轉變成的結構就是奧氏體(面心立方)。** 所以,在鋼鐵熱處理的語境下,稱呼「奧氏體」是為了強調其特定的高溫 FCC 結構,這對於後續的相變至關重要。
簡單記住:純鐵在低溫是沃斯田鐵 (BCC),高溫是奧氏體 (FCC)。而鋼鐵在熱處理過程中,從低溫的沃斯田鐵相加熱到一定溫度後,溶解碳進入並形成面心立方結構的相,就是奧氏體。
奧氏體 (沃斯田鐵) 的結構與特性
奧氏體,也就是沃斯田鐵的 FCC 結構,它和我們常在常溫下見到的鐵素體 (BCC) 結構,在原子排列方式上有著顯著的不同,這也直接影響了它們的物理和機械性質。
體心立方 (BCC) 結構 (常溫的沃斯田鐵):
- 在每個立方體的頂點各有一個原子,體對角線的中心有一個原子。
- 這種結構的原子堆積密度相對較低,空間利用率不高。
- 相對來說,BCC 結構中的原子更容易發生滑移,因此呈現出較好的延展性,但強度相對較低。
面心立方 (FCC) 結構 (高溫的奧氏體):
- 在每個立方體的頂點各有一個原子,每個面的中心也各有一個原子。
- FCC 結構的原子堆積密度非常高,原子排列緊密。
- FCC 結構提供了更多的滑移面和滑移方向,理論上來說,其滑移的難易程度與BCC結構有所不同,但奧氏體具有的特殊之處在於它能溶解大量的碳。
奧氏體 (FCC) 在鋼鐵中的關鍵作用:
奧氏體最為人稱道,也是它在鋼鐵熱處理中之所以如此重要的原因,就是它具有極大的固溶碳能力。
相較於常溫的沃斯田鐵 (BCC) 結構,FCC 結構的「間隙」空間更大,因此能夠容納更多的碳原子。在鋼鐵的熱處理過程中,我們將鋼材加熱到奧氏體區,使得碳原子可以從晶格間隙中溶解進鐵素體晶格,形成固溶體。這個溶解碳的過程,是後續淬火、回火等熱處理步驟能夠成功改變鋼材組織結構和性能的基礎。
想像一下,FCC 的奧氏體就像一個寬敞的「倉庫」,可以把大量的碳原子「收納」進來。而當鋼材冷卻時,如果冷卻速度足夠快,這些溶解的碳原子就來不及重新析出,而是被「凍結」在奧氏體結構中,或者在快速冷卻過程中形成其他的非平衡相,例如麻田散鐵 (Martensite),這也是鋼材硬度增加的關鍵。
奧氏體 (沃斯田鐵) 在鋼鐵熱處理中的重要性
奧氏體,或者說沃斯田鐵在高溫下的 FCC 形態,絕對是鋼鐵熱處理中的「靈魂人物」,沒有它,很多我們熟悉的鋼材性能就無法實現。
1. 溶解碳的載體:
如前所述,奧氏體是鋼材中唯一能夠在較高溫度下(通常是727°C以上)溶解大量碳的相。這個能力是實現鋼材各種性能的基礎。碳原子的溶解,不僅改變了鐵素體的晶格參數,更重要的是,它為後續的相變提供了「燃料」。
2. 淬火變形的關鍵:
淬火的目的是為了獲得高硬度的麻田散鐵。而麻田散鐵的形成,正是因為在高速冷卻過程中,奧氏體中的碳原子來不及擴散析出,而被「超飽和」地鎖在體心四方 (Body-Centered Tetragonal, BCT) 的麻田散鐵晶格中。這種過飽和的碳溶解,使得麻田散鐵具有極大的內應力,從而產生極高的硬度。
3. 組織轉變的橋樑:
奧氏體就像一座橋樑,連接了鋼材在不同溫度下的組織形態。從常溫的沃斯田鐵 (BCC) 加熱到奧氏體 (FCC),再經過冷卻,可以形成麻田散鐵 (BCT)、貝氏體 (Bainite) 或珠光體 (Pearlite) 等不同的組織。每一次成功的熱處理,都離不開奧氏體相的穩定存在和隨後的轉變。
4. 鈍化應力的手段 (回火):
雖然奧氏體本身是高溫相,但在經過淬火形成麻田散鐵後,麻田散鐵內部會產生巨大的應力,容易導致開裂。回火的目的之一就是透過適當的加熱,讓麻田散鐵中的碳原子發生微小的擴散和沉澱,釋放部分內應力,提高韌性。而這個回火過程,實際上也是一個涉及奧氏體(或其轉變產物)與其他相之間微妙平衡的過程。
我的經驗之談:
我記得有一次在處理一批高碳鋼的刀具時,由於加熱溫度控制不精準,導致部分區域沒有完全轉變為奧氏體,或者奧氏體化的時間不足。結果,淬火後的硬度就不均勻,有些地方非常硬,有些地方則相對軟。這就讓我深刻體會到,讓鋼材充分且均勻地奧氏體化,是確保後續熱處理成功的「起手式」,非常關鍵!
如何判斷鋼材是否處於奧氏體區?
判斷鋼材是否處於奧氏體區,主要依賴於其化學成分以及溫度。不同的鋼種,其奧氏體區的溫度範圍會有所差異。
1. 鋼材的相圖 (Phase Diagram):
這是最權威的判斷依據。鐵碳相圖 (Iron-Carbon Phase Diagram) 顯示了不同溫度和碳含量下,鐵基合金的穩定相。對於鋼材(鐵碳合金),通常在 727°C (A1 臨界溫度) 以上,隨著溫度升高,鋼材會逐漸轉變為奧氏體區。但請注意,這是一個簡化的圖,實際的鋼材,由於含有鉻、鎳、錳等合金元素,其奧氏體區的穩定溫度範圍會有所擴大或縮小,這就是所謂的「奧氏體穩定化元素」和「沃斯田鐵穩定化元素」的作用。
2. 溫度計的輔助:
在實際的熱處理操作中,我們會藉助高精度的溫度計(如熱電偶)來監測爐溫。但更精準的判斷,還需要結合經驗和對鋼材成分的了解。某些鋼種,在奧氏體化過程中,其表面顏色也會發生變化,例如從暗紅色逐漸轉變為亮黃色、白色,這也是一個視覺上的參考。
3. 奧氏體穩定化元素:
某些合金元素,如鎳 (Ni)、錳 (Mn)、碳 (C) 等,會擴大奧氏體區的穩定溫度範圍,即使在較低的溫度下,也能維持奧氏體結構。這類鋼種,我們通常稱之為「奧氏體不銹鋼」。而像鉻 (Cr)、鉬 (Mo)、鎢 (W) 等元素,則傾向於穩定鐵素體,會使奧氏體區的溫度範圍向高溫移動,或者縮小。
一個小例子:
例如,對於常見的 1045 中碳鋼,其奧氏體化溫度大致在 780°C 以上,而對於 304 不銹鋼(一種奧氏體不銹鋼),它在室溫下就可以呈現奧氏體結構,這就是因為鎳的加入大大擴展了奧氏體區。
奧氏體 (沃斯田鐵) 與其他常見金屬組織
為了讓大家更清楚地認識奧氏體在金屬組織中的位置,我們來簡單對比一下它與其他一些常見的金屬組織。
奧氏體 (Austenite / FCC) vs. 沃斯田鐵 (Ferrite / BCC)
如前所述,這是同一個事物的不同稱謂,一個強調高溫 FCC 結構,一個強調純鐵的 BCC 結構。在鋼鐵熱處理中,我們通常用奧氏體來指代高溫 FCC 相。
奧氏體 (Austenite / FCC) vs. 麻田散鐵 (Martensite / BCT)
- 結構:奧氏體是 FCC,麻田散鐵是 BCT。
- 形成:奧氏體是通過加熱鐵基合金到奧氏體區形成;麻田散鐵是通過對奧氏體進行快速冷卻(淬火)形成的非平衡相。
- 碳含量:奧氏體能溶解大量碳;麻田散鐵是過飽和的碳固溶體,碳被「鎖」在BCT結構中。
- 硬度:奧氏體相對較軟;麻田散鐵由於碳的過飽和溶解和內應力,硬度極高。
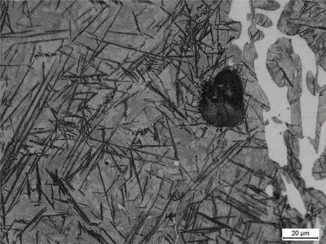
奧氏體 (Austenite / FCC) vs. 珠光體 (Pearlite)
- 結構:奧氏體是 FCC;珠光體是由片狀的肥粒鐵 (Ferrite, BCC) 和碳化物 (如Fe₃C,水泥碳化物) 交替組成的共析組織。
- 形成:珠光體通常是奧氏體在較慢的冷卻速度下(例如退火或正火)形成的平衡組織。
- 硬度:奧氏體相對較軟;珠光體相對較硬,但硬度遠低於麻田散鐵。
奧氏體 (Austenite / FCC) vs. 肥粒鐵 (Ferrite / BCC)
這裡的「肥粒鐵」特指鋼材中幾乎不含碳或含碳量非常低的鐵素體 (BCC) 相,它與前面提到的「沃斯田鐵」在結構上是相同的,都是BCC。
- 結構:奧氏體是 FCC,肥粒鐵是 BCC。
- 碳含量:奧氏體可以溶解高達 2.14% 的碳(在理論的鐵碳相圖上);肥粒鐵溶解碳的能力非常有限,在常溫下幾乎不溶解碳,在高溫下溶解量也非常少。
- 硬度:奧氏體相對較軟;純肥粒鐵非常軟,延展性極好。
我們可以將這些組織的關係,用一個簡單的表格來呈現,會更加清晰:
| 組織名稱 | 主要結構 | 溫度範圍 | 碳溶解能力 | 硬度/強度 |
|---|---|---|---|---|
| 奧氏體 (Austenite) | 面心立方 (FCC) | 約 727°C 以上 (隨成分變化) | 高 | 相對較軟 |
| 沃斯田鐵 (Ferrite) | 體心立方 (BCC) | 低於 727°C (純鐵) | 極低 | 較軟 |
| 肥粒鐵 (Ferrite) | 體心立方 (BCC) | 通常指低溫下的 BCC 相 | 極低 | 非常軟 |
| 麻田散鐵 (Martensite) | 體心四方 (BCT) | 淬火形成 (非平衡相) | 過飽和 | 極高 |
| 珠光體 (Pearlite) | 肥粒鐵 + 碳化物 (層狀) | 低溫平衡組織 | 低 (主要存在於碳化物中) | 中等 |
從這個表格中,大家應該可以清楚地看到,奧氏體(FCC)之所以在熱處理中如此特殊,就是因為它高溫下的FCC結構能夠溶解大量的碳,而這是形成各種高性能鋼材的基礎。
常見問題解答 (FAQ)
為了幫助大家更全面地理解「奧氏體是沃斯田鐵嗎」這個問題,以及與之相關的概念,我整理了一些常見的問題,並進行詳細的解答。
Q1:奧氏體和沃斯田鐵聽起來很像,它們之間到底有沒有區別?
A1: 嚴格來說,它們指稱的是同一個物質,但側重點不同。當我們在討論鋼鐵的熱處理時,特別是當鋼材被加熱到一定溫度(通常是727°C以上)時,其內部會形成一種具有面心立方 (FCC) 晶體結構的固溶體,這種結構就被稱為「奧氏體」。這個名稱是為了紀念一位鋼鐵學家。而「沃斯田鐵」則是一個更廣泛的術語,通常用來描述鐵的體心立方 (BCC) 晶體結構,這是純鐵在低溫下的穩定形態。所以,可以說,在鋼鐵的熱處理語境下,當鋼材在高温下呈現FCC結構時,我們稱之為奧氏體。而當我們討論鐵元素本身的BCC結構時,則稱為沃斯田鐵。最關鍵的是要記住,鋼材在加熱過程中,從常溫下的沃斯田鐵(BCC)轉變成的那個高溫的FCC結構,就是奧氏體。
舉個例子,就像「水」和「H₂O」的關係。「水」是我們日常生活中常見的稱呼,而「H₂O」則是它的化學名稱,更精確地描述了它的組成。在這裡,「奧氏體」就像是描述鋼材在特定熱處理狀態下的「常用名」,而FCC結構則是它的「結構特徵」。
Q2:為什麼奧氏體在鋼鐵熱處理中那麼重要?
A2: 奧氏體之所以如此重要,核心在於它獨特的「溶解碳」能力。相較於常溫下的沃斯田鐵 (BCC) 結構,奧氏體 (FCC) 結構能夠容納更多、更多的碳原子。這個「吃碳」的特性,為鋼材的熱處理奠定了基礎:
- 固溶碳來源: 奧氏體是將碳原子均勻分佈在鋼材內部的「載體」。沒有奧氏體的形成,碳原子就無法以固溶體的形式存在,也就無法進行後續的相變。
- 淬火的關鍵: 當我們對奧氏體進行快速冷卻(淬火),其中的碳原子被「凍結」在晶格中,形成硬度極高的麻田散鐵。這種由奧氏體快速轉變而來的麻田散鐵,是獲得高硬度鋼材的關鍵。
- 組織變化的樞紐: 奧氏體是鋼材在不同溫度下組織形態轉變的「橋樑」。通過控制奧氏體區的停留時間和冷卻速度,我們可以得到不同的最終組織,從而獲得不同的機械性能。
可以說,沒有奧氏體,許多現代鋼材所具備的高強度、高韌性等優異性能,是難以想像和實現的。
Q3:我聽說「沃斯田鐵」本身也有不同的種類,這和奧氏體有關嗎?
A3: 沒錯,關於「沃斯田鐵」的說法,確實還會細分。當我們說「沃斯田鐵」時,通常指的是鐵的純粹的體心立方 (BCC) 結構。但在更廣泛的金屬學語境裡,為了區分含有不同元素的「沃斯田鐵」,會有更細緻的稱呼:
- 純沃斯田鐵 (Pure Ferrite): 指的是幾乎不含碳的鐵素體,結構為BCC。
- α-沃斯田鐵 (Alpha Ferrite): 是指常溫下的沃斯田鐵,其溶解碳的能力非常有限。
- δ-沃斯田鐵 (Delta Ferrite): 是指純鐵在熔點附近(約1394°C至1538°C)出現的一種體心立方 (BCC) 結構。這種 δ-沃斯田鐵與 α-沃斯田鐵在晶體結構上是相同的(都是BCC),只是出現的溫度範圍不同。
而我們在鋼鐵熱處理中討論的「奧氏體」,其結構是面心立方 (FCC)。所以,奧氏體 (FCC) 和沃斯田鐵 (BCC) 的結構是根本不同的。但大家需要理解的是,鋼材在加熱到奧氏體區之前,在常溫狀態下,它的主要構成相就是 α-沃斯田鐵 (BCC)。
Q4:哪些因素會影響奧氏體區的溫度範圍?
A4: 影響奧氏體區溫度範圍的最主要因素有兩個:鋼材的化學成分和溫度。
1. 鋼材的化學成分:
- 碳 (C): 碳是影響奧氏體區最關鍵的元素。隨著碳含量的增加,奧氏體區的起始溫度(A1)會下降,而終止溫度(A3,指純鐵素體完全轉變為奧氏體開始的溫度)則會升高,直到共析點(約0.77%C)以下,A1和A3溫度會合併。
- 合金元素: 許多合金元素都會改變奧氏體區的穩定範圍。
- 奧氏體穩定化元素: 如鎳 (Ni)、錳 (Mn)、鈷 (Co)、氮 (N) 等,它們會擴大奧氏體區的範圍,使奧氏體在更低的溫度下都能穩定存在。例如,鎳是形成奧氏體不銹鋼(如304、316)的關鍵元素。
- 沃斯田鐵穩定化元素(或鐵素體穩定化元素): 如鉻 (Cr)、鉬 (Mo)、鎢 (W)、矽 (Si)、鋁 (Al) 等,它們會縮小奧氏體區的範圍,使鐵素體區在更寬的溫度範圍內穩定。
2. 溫度:
這是一個基本概念。鋼材需要被加熱到足夠高的溫度,才能轉變為奧氏體。不同的鋼種,其奧氏體化的起始溫度和完全奧氏體化的終止溫度是不同的。例如,低碳鋼可能在700多度就開始出現奧氏體,而高合金鋼則可能需要更高的溫度。
理解這些因素,對於精確控制熱處理過程,獲得期望的鋼材組織和性能至關重要。
Q5:我看到有些資料提到「艾氏體」,這和奧氏體有什麼不同?
A5: 「艾氏體」這個說法,在台灣比較少見,我猜您可能是在其他地方看到的,或者是對「奧氏體 (Austenite)」的另一種音譯或誤記。在標準的金屬學和材料科學術語中,與FCC結構對應的常見名稱就是「奧氏體 (Austenite)」。
常見的金屬組織名稱,如:
- 奧氏體 (Austenite): FCC 結構,高溫穩定相,碳溶解能力強。
- 沃斯田鐵 (Ferrite): BCC 結構,低溫穩定相,或泛指鐵的BCC結構。
- 麻田散鐵 (Martensite): BCT 結構,淬火形成,硬度極高。
- 珠光體 (Pearlite): 由肥粒鐵和碳化物組成的層狀結構。
- अभियांत्रिकी (Bainite): 介於麻田散鐵和珠光體之間的一種組織。
沒有一個被廣泛認可的金屬組織名稱叫做「艾氏體」,它很可能是一個翻譯上的差異、筆誤,或者是某個特定領域的非標準用法。基本上,當提到與高溫FCC結構、強溶解碳能力相關的術語時,指的都是「奧氏體」。
如果方便的話,您也可以提供更多關於「艾氏體」的上下文資訊,也許我能提供更準確的解釋,但根據目前的金屬學知識,最標準的說法就是「奧氏體」。
Q6:如何才能確保鋼材能完全奧氏體化?
A6: 確保鋼材能夠「完全奧氏體化」,也就是讓鋼材內部所有的組織都轉變為均勻的奧氏體,這是一個熱處理中的關鍵步驟。這需要滿足幾個條件:
- 足夠的加熱溫度: 必須將鋼材加熱到其奧氏體區的終止溫度 (A3或Acm線以上,取決於碳含量) 以上。對於含有合金元素的鋼材,需要參考相圖來確定精確的溫度。
- 足夠的保溫時間: 鋼材需要足夠的時間來讓碳原子和合金元素從原來的組織中擴散出來,並均勻地溶解到新形成的奧氏體晶格中。保溫時間的長短取決於鋼材的種類、尺寸大小、加熱溫度以及所期望的奧氏體均勻度。
- 均勻的加熱: 整個工件必須均勻地加熱到目標溫度。爐溫的均勻性、工件的擺放方式、以及是否進行預熱,都會影響加熱的均勻性。
- 了解鋼材的相圖: 對於不同牌號的鋼材,其相圖是判斷奧氏體化溫度範圍的根本依據。
經驗分享:
在實際操作中,我們通常會稍微提高一點加熱溫度,並且適當延長保溫時間,來確保「過燒」的風險相對較小的情況下,達到盡可能完全的奧氏體化。例如,對於一些複雜的合金鋼,我們可能會額外多保溫15-30分鐘,特別是對於較大的工件。
總結來說,奧氏體和沃斯田鐵,在討論鋼鐵熱處理時,它們指的是同一種高溫下的FCC結構。掌握好奧氏體區的形成和轉變,是玩轉鋼材性能的基礎!希望今天的分享,能讓大家不再為這個問題感到困惑。

